Les Ailes Bleues Verniollaises
RCSoaring Digest
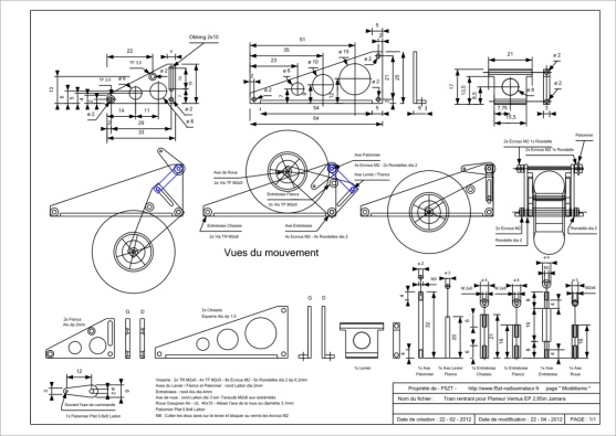
Plan à l‘échelle 1
FABRICATION D'UN TRAIN RENTRANT POUR PLANEUR VENTUS 2.65M JAMARA
Quelques vues des différentes phases de fabrication.
FABRICATION DU TRAIN RENTRANT
 
Et bien voilà, après quelques semaines passées à étudier et réaliser un train rentrant pour mon Ventus EP 2,65m, voici le plan et quelques photos de cette réalisation.
C'est vrai qu'il existe dans le commerce des trains rentrants tout faits, mais quel plaisir de voir un projet aboutir et finir en « bel ouvrage ».
Et puis si quelques modélistes sont intéressés par cette réalisation, je la partage avec plaisir.
Bref, voici le sujet, j'ai trouvé des infos sur les trains rentrants, mais pas adaptés pour la taille d'un planeur de 2,65m.
Alors, j'ai mesuré la place disponible dans le fuselage, et par une règle de trois j'ai recalculé les dimensions essentielles pour le faire entrer.
J'ai recherché une roue correspondante aux dimensions générales.
A l'aide d'un logiciel de dessin (GGCad 2,0 free), j'ai réalisé un plan à l'échelle 1/1 ce qui permet de bien voir les débattements et les encombrements des pièces.
J'ai trouvé de la matière première chez weber, au roi merlin et castor à moi, ainsi que dans les magasins de modélisme à Paris.
Équerre, plat, rond et visserie en alu et en laiton.
Ensuite je suis passé à la réalisation mécanique.
 
1ère étape :
Usinage support de roue, les flancs gauche et droite.
Afin d'obtenir des pièces précises, les flancs sont découpés et percés ensemble, c'est-à-dire les deux pièces bridées par une pince-étau.
 
2ème étape :
Idem pour le châssis réalisé dans un profil en L.
 
3ème étape :
Usinage du levier de rotation. Plus délicat à cause du perçage du diamètre 2mm sur toute la longueur, mais pas insurmontable, c'est mieux avec une perceuse à colonne.
 
4ème étape :
Perçage, taraudage et filetage des axes et des trous.
J'ai usiné certains axes sur un petit tour de chez Otelo.
 
5ème étape :
Assemblage, ajustement et reprise si nécessaire. Montage du palonnier.
Le souder en final quand les tests et la position seront définitivement trouvés.
 
6ème étape :
Présentation et découpe du fuselage pour le montage du train rentrant.
 
7ème étape :
Réalisation d'un châssis en CP à coller dans le fuselage pour y fixer par vis le train rentrant. Prévoir des charnières pour les volets.
Attention, le train rentrant n'est pas fixé définitivement, grâce au châssis il reste démontable. Visserie de TF diamètre 2mm et écrous.
 

La suite, c'est la réalisation des trappes et du mécanisme de commande d'ouverture et de fermeture.
Merci à Mr Calder, artiste fildefériste qui a créé et inventé toutes sorte d'objets en fil de fer.
J'ai réalisé ce mécanisme de commande des trappes avec du fil de fer, du contre-plaqué et des dominos en petit diamètre.
L'idée est de faire un système simple, léger, réglable et démontable.
J'ai étudié un chariot coulissant sur deux axes parallèles. Ce chariot est actionné par le servocommande du train rentrant (voire par un petit servo supplémentaire en parallèle avec le servo du train).
Sur ce chariot, j'ai monté deux axes en fil de fer (récupéré dans de la gaine électrique, il permet de tirer les câbles dans la gaine).
L’intérêt, c'est la souplesse du fil qui absorbe les débattements des trappes lors de la rotation. Le débattement de ces axes de commande des trappes est ajustable grâce aux dominos collés sur le chariot.
L'ensemble est monté dans le fuselage et fixé par deux colliers en nylon.
La longueur du palonnier, sa position et son débattement ont été trouvés suite à quelques tests.
Voici  quelques images qui en diront plus que mes explications.
 

Outillage : filière diamètre 2mm, forêt à centrer diamètre 3.5 x 0.5 pour le tour, taraud M2 chez Weber à Paris.
Outils divers : scie abrafil, petites limes, tourne-à-gauche, porte-filière, de la patiente et de l'huile de coude.
Machines : Petit tour Otelo, perçeuse à colonne et étau.
 
Quelques vues du planeur terminé.
Train en Mouvement

F5ZT

F5ZT

Radioamateur F5ZT

 QTH 
 Radio Amateur
 Linux Mint 20.3
 Mécanique
 Voile construction
 Randos et voyages
 Ski dans les PO
 La BMW R75 S7
 Musique
 Peinture
 Jardinage
 Aéromodélisme
 Côté Ecolo
 Chauffe eau solaire

Jours Heureux

Radioamateur F5ZT

F5ZT  .._.  .....  __..  _    Tous Droits Réservés 2005 /2026